• 10334阅读
  • 26回复

[城建规划]涉及4个镇街,征收费用超4200万!义乌又一批征地补偿方案集中公布 [复制链接]

上一主题 下一主题
离线网站十五
 

发帖
8440
奖学金
12021
威望
65054
微信分享到朋友圈 图酷模式 只看楼主 倒序阅读 腔主  发表于: 2022-09-22
马上注册,结交更多好友,享用更多功能,让你轻松玩转义乌十八腔,更多精彩评论请登录后查看。
  已有账号?点击登录
关闭
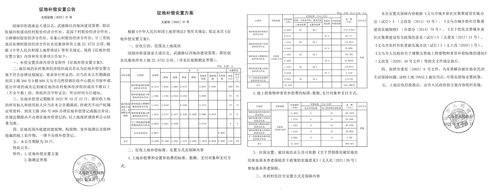
9月22日,义乌市自然资源和规划局新发布3封征地补偿安置方案公告。

此次集中公布了3封,涉及福田、廿三里、后宅、苏溪等镇街9个村庄,征收总面积为35.3507公顷,约530.2605亩。征收补偿总金额4208.42205万元,其中土地补偿和安置补偿总金额3446.69325万元。




义拟征告〔2022〕31号
项目名称:福田街道涌金大道以北、武德路以西地块
征收范围:福田街道尚经村、花园下村、立碑塘村、东象山村;廿三里街道活鱼塘村
征收面积:22.4725公顷
土地补偿和安置补偿:2191.06875万元
地上附着物和青苗补偿:509.7072万元





义拟征告〔2022〕32号
项目名称:后宅街道群英路以东、德馨路以北地块一
征收范围:后宅街道后毛店村
征收面积:4.2743公顷
土地补偿和安置补偿:416.74425万元
地上附着物和青苗补偿:102.5832万元







义征补〔2022〕17号
项目名称:苏溪镇苏八线与S310省道交叉口西北侧地块
征收范围:苏溪镇新乐村、新院村、蒋宅村
征收面积:8.6039公顷
土地补偿和安置补偿:838.88025万元
地上附着物和青苗补偿:149.4384万元








整理:义乌房子网
编辑:网站十五

加房小白微信
陪你畅谈义乌楼市、解决买房大小事

61条评分威望+61
特别声明:帖子及回帖全部内容为论坛用户自行上传发布并承担相应的法律责任,不代表本网站观点和立场,本网站仅提供信息存储服务。任何用户如认为页面上的特定内容涉及侵权,可通过页面底部侵权投诉指引向我们进行投诉。
本帖共有26条回复,请登录后查看。
  已有账号?点击登录
快速回复
限100 字节
批量上传需要先选择文件,再选择上传